全国咨询热线:180-6202-0350

武汉智能星伴您安全同行

12年+
坚持自主研发

1000次+
预防性试验

10000个+
商务客户

测量回路的2种方法 (图文)

电气测量是变电站综合自动化系统的重要组成部分,它反映电气测量仪表电压、电流的接人方式。电气测量仪表的配肯应符合《电气测量仪表装置设计技术规程》的规定、以满足电力系统和电气设备安全运行的需要。在电力系统中,运行人员必须依靠剖量仪表了解电力系统的运行状态,监视电气设备的运行参数。

电气设备和线路的运行参数主要有电流电压、频率、电能、温度、绝缘电阻等。传统的测械仪表有电流表(PA) 、电压表(PVl) 、频率表(PF) 、同步表、有功功率表(PW) 、无功功率表(PV2) 、有功电能表(PJl 入无功电能表(PJ2) 等n 在变电站综合自动化系统中,数字式综合淏匮控制装置或智能仪表已经将L述传统仪表集成到一个装置内部,因此测横回路大大简化们下面将介绍基本测量回路的原理:

测量回路方法

基本的测量回路有“两表法”和“三表法”,其接线原理图如下。

2表法
2表法电路图

 

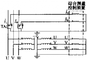
三表法
三表法电路图

 

两表法主要由于三相三线制系统,即采用有两相式电流互感器的系统;而二表法主要用于三相四线制系统嘈即采用三相式电流互感器的系统。

相关文章: